
常州市上能鍋爐有限公司***制造以導熱油為介質的低氮燃氣導熱油鍋爐,低氮燃氣導熱油爐,其規格為(10-2000萬大卡)供熱溫度高達350℃,供用熱設備用熱。
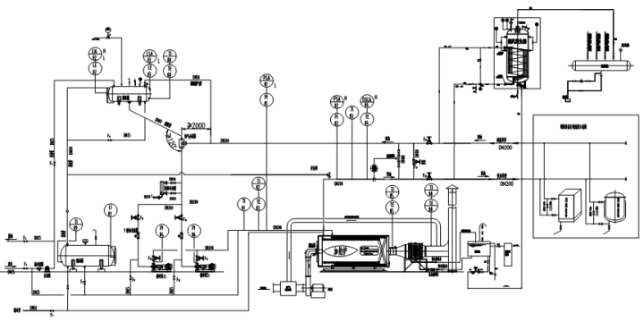
燃氣導熱油鍋爐包含鍋爐本體及燃氣燃燒器。
燃氣導熱油鍋爐的圖紙經江蘇省質量技術監督局鍋爐局審查通過,特批予以制造.

燃氣導熱油鍋爐,通常由無縫鋼管盤成數組受熱面,燃料氣被燃燒器噴入爐內燃燒,產生高溫火焰與煙氣在受熱面之間流動,有機熱載體(導熱油)在爐管內以設計規定的流速流動,燃料產生的熱能通過爐管壁傳給有機熱載體,使其升溫,并通過熱油泵向爐外輸出熱量,輸送到生產工藝中需要溫度的各個工業領域

燃氣導熱油鍋爐的爐管材質 :20#鋼 GB3087鍋爐鋼管。 殼體材質為 : Q235-B 。

燃氣導熱油鍋爐,廣泛應用于紡織、石油、化工、塑料、公路、印染、涂裝等幾
十個行業中<350℃的工業加熱,用以替代電、蒸汽、遠紅外熱風等加熱方式。其發展至今,已成為國民經濟中必不可少的節能型供熱設備。

燃氣導熱油鍋爐的燃燒器采用原裝進口低氮型燃氣燃燒器,其控制全部采用自動化,可根據設定溫度調節燃氣量的大小,以保證出口溫度控制在±1℃以內。這種燃燒器具有“技術性能先進,運行安全且可靠,超低氮氮氧化物排放<30mg/m3,節省天燃氣,經濟實用效率高”等優點

燃氣導熱油鍋爐的供熱系統:由膨脹槽,儲油槽,熱油循環泵,注油泵,油過濾器,油氣分離器等組成。

燃氣導熱油鍋爐在額定工況下爐本體出口煙氣溫度均超過 300℃,為了提高鍋爐系統能源轉換利用率,以滿足安全節能環保的要求,需加裝節能換熱器。節能換熱器有余熱蒸汽爐,空氣預熱器,省煤器。由用戶選擇。由于尾部裝節能換熱器會引起煙氣空氣流阻的變化需要選擇相匹配燃燒器

常州市上能鍋爐有限公司向中外客戶奉獻安全環保,***節能, 低耗***的燃氣導熱油鍋爐,低氮燃氣導熱油鍋爐供中外客戶選購
¨:上能鍋爐公司真誠與您攜手合作,請關注我公司的網站:www.tqzxx.cn www.rsdryl.com,www.czrsgl.com,www.czsngl.com。聯系電話:0519-82052399