
燃燒過程NOx生成的微觀機理比較復雜,但從宏觀上,主要的影響因素為過量空氣系數、溫度和配風方式。根據這些因素的影響規律,百得設計了低污染燃燒頭,采用了如下的降低NOx排放的技術,同時也使CO 的排放水平降到極低:

a) 爐內煙氣再循環燃燒,降低氮氧化物排放
二次風的出口速度很高,將周圍低溫、貧氧的煙氣卷吸到火焰表面,一方面降低火焰表面溫度,另一方面稀釋火焰表面氧濃度,從而抑制NOx的生成。
b) 火焰中心分散,將火焰分成數個小火焰,增大散熱面減少排放
分散的火焰中心降低了火焰的溫度水平,使NOx的生成量降低。
c) 分級配風,分級燃燒:抑制過剩空氣量使燃料與空氣分段混合燃燒。降低NOx的生成和排放。
燃燒空氣分為根部風、一次風和二次風三部分逐漸與燃氣混合,形成局部貧氧燃燒,降低NOx的生成和排放。
D) 完全燃燒:燃燒火焰完全覆蓋鍋爐燃燒室,提高燃燒效率
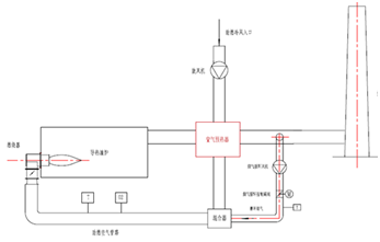
E) 分體式燃燒器FGR煙氣外循環技術降低氮氧化物排放
就是使用自身所帶的燃燒器風機,將從煙囪收集的煙氣與燃燒空氣混合。煙氣流量通過電動蝶閥調節,該閥由燃燒器程控器控制。使用這種方法,燃燒器的工作范圍會降低,使得在恒定的體積流速下,氧氣量減少;
燃燒空氣溫度升高;由于管內的再循環的載荷損耗,導致壓力下降。